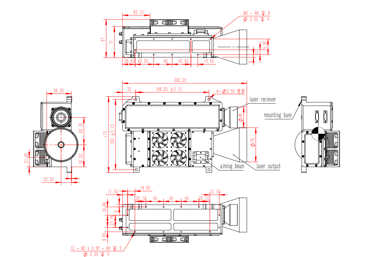
STA-Z100M is a military 100mj laser target designator that plays a crucial role in precision aiming systems, capable of providing precise guidance for smart ammunition. Through an advanced optical system, it marks the target with a laser beam, ensuring that precision-guided weapons can destroy the target with extremely high accuracy and efficiency.
| Main parameters of laser light source | |
| Working wavelength | 1064nm±1nm |
| Pump mode | semiconductor side pump |
| Irradiation frequency | accurate code 45ms—125ms(check code 20Hz) |
| Trigger method | Both Int. trigger and Ext. trigger (trigger delay: 304us+-1us) |
| Output energy | ≥100mJ@20Hz |
| Max.Irradiation distance | ≥12km |
| Q switching mode | electro-optical Q switching |
| Pulse width | 10ns ~ 20ns |
| Beam divergence Angle | Using 0.15mrad (the acceptance method adopts hole-hole method, and the ratio of hole-hole to hole-free is not less than 86.5%) |
| Pulse energy stability | ≤8%(RMS) |
| Irradiation working cycle | working 90s, interval 60s; 4 cycles (normal temperature or low temperature), 1 cycle(high temperature 60℃ ) |
| Power supply | DC 24V±4V |
| Power | <240W (normal temperature standby current: <2A, peak working current <10A, high and low temperature standby current <3.5A) |
| Communication serial port | RS422 |
| External trigger interface | 3V differential level drive, RS422 interface (delay time is 304us+/-1us from trigger signal to lase out) |
| Coding type | precise frequency coding, time coding, pseudo random coding |
| Using precision | <+-1us |
| Laser ranging parameters | |
| Ranging mode | 0~5hz ranging |
| Maximum measured distance | >30km (20km visibility, 2.3x2.3m typical target, target reflectance > 20%) |
| Minimum measured distance | 300m |
| Ranging accuracy | ±5m |
| Environmental adaptability | |
| Low temperature | Operating temperature: -40C |
| Storage temperature: -45℃ | |
| High temperature | Operating temperature: + 60℃ |
| Storage temperature: +65℃. | |
| Humid heat | Relative humidity: 95%±3%; |
| Temperature: +35℃±2℃ | |
| Storage time: 72h. | |
| Impact | |
| Impact waveform | half sinusoidal pulse |
| Peak acceleration | 10g |
| Pulse width | 11ms |
| Number of shocks | 3 in vertical axial direction |
| Vibration | |
| Frequency range | 5~16Hz single amplitude displacement: 1.5mm |
| 16~200Hz (16~60Hz for optical equipment) acceleration: 1.5g | |
| One scan time | 12min |
| Duration | vertical axial 36min |

| Pin | Definition | Content | Type of signal | Remarks |
| 1 | TX+ | RS422 Send positive (local) | Output | Object host computer |
| 2 | TX - | RS422 Send negative (local) | Output | Object host computer |
| 3 | RX+ | RS422 Receive positive (local) | Input | Object upper computer |
| 4 | RX - | RS422 Receive negative (local) | Input | Object upper computer |
| 5 | GND | Ground RS422 | Signal ground | Object upper computer |
| 6 |
|
|
|
Manufacturer's debug special |
| 7 |
|
|
|
Manufacturer's debug special |
| 8 |
|
|
|
Manufacturer's debug special |
| 9 |
|
|
|
Manufacturer's debug special |
| 10 |
|
|
|
Manufacturer's debug special |
| 11 |
|
|
|
Manufacturer's debug special |
| 12 |
|
|
|
Manufacturer's debug special |
| 13 |
|
|
|
Manufacturer's debug special |
| 14 |
|
External time system + | Input | RS422 differential |
| 15 |
|
Outer time Tong - | Input | RS422 differential |
| Pin Number | Definition | Remarks |
| A, B | 24V | The wire color is red |
| C, D | GND | The wire color is black |
| Power supply and power consumption | Power supply range | 20V ~ 33V, DC |
| Power consumption | peak power is not more than 240W, standby power is not more than 60W (room temperature) | |
| Reliability | MTBF is not less than 4000h (total firing time is larger than 3 millions) | |
| Security | Set up a warning device for the laser to work | |
| The exit of the laser transmitter is provided with obvious warning signs | ||
| The equipment is well grounded | ||
| Maintainability | All major functional components and equipment have both fault indicators and indicators for normal operation | |
| The average repair time MTTR is not more than 20min | ||
| Electromagnetic compatibility requirements | In the system boot-up process, the equipment can be compatible with other equipment in the system and operate normally | |
| Temperature | Operating temperature | -40℃ ~ +60℃ | ||||
| Storage temperature | -45℃ ~ +70℃ | |||||
| Humid heat | Relative humidity | 95% ± 3% | ||||
| Temperature | +25°C±2°C | |||||
| Storage time | 72h | |||||
| Vibration | Vibration spectrum shape (grms=6.06) | 20Hz to 80Hz | +3dB/oct | |||
| 80Hz to 350Hz | G2/0.04 Hz | |||||
| 350Hz to 2000Hz | -3dB/oct | |||||
| Vibration direction and time | vibrate in two direction for at least 10min. (vibration in two direction i.e. x axis that is along the laser axis and z direction too) | |||||
| Control point | should be selected in the fixture or shaking table surface near the maximum stiffness of the product, large equipment can use multi-point average control | |||||
| Monitoring point | the monitoring point should be selected in the key part of the product under test, so that the root mean square acceleration response does not exceed the maximum allowable design (grms=6.06) | |||||
| Installation requirements | The specimen is firmly attached to the shaking table, and for products equipped with shock absorbers, the shock absorbers should be removed before testing | |||||
| Performance check | During vibration testing with the equipment powered on, all performance indicators must meet the technical requirements specified in the design document. In the event of a failure, repairs are allowed. After the repair, the spectral value should be reduced to 0.01g²/Hz, grms=3.03, and the specimen should be subjected to vibration in the direction most susceptible to vibration for 10 minutes during the acceptance test. | |||||
| Temperature cycle | Temperature range | Power-on test | -40±3℃ ~ +55±2℃ | |||
| Rate of temperature change | Temperature rise | 10℃/min | ||||
| Cooling | 10℃/min | |||||
| Cycle times | Ten cycles should be completed, ensuring that the last 2 cycles are without faults. If a fault occurs during the last 2 cycles, after repairs, an additional 2 fault-free cycles are required. | |||||
| Cycle time | One cycle time is 4h, one cycle includes temperature rise → temperature stay → cooling → temperature stay → temperature rise | |||||
| High and low temperature residence time | the residence time depends on the heat capacity of the specimen. Based on the principle of product thermal or cold permeability, the internal temperature of the specimen is maintained for 5min after reaching stability | |||||
| The requirements of the product under test | general temperature cycle test with the whole machine, should be as far as possible to open the cover | |||||
| Check and repair | In the power test equipment, after each temperature cycle test, it is necessary to confirm that the equipment is free of faults before proceeding to the next temperature cycle | |||||
| Drenching requirements | Drenching is carried out with the whole equipment | |||||
| transportation requirements | Equipment needs to be transported as a whole vehicle | |||||
| If the product has not undergone a road transport test, you can perform an indoor transport simulation test using a simulation transport table. This test involves conducting a sinusoidal cyclic vibration test to assess the product's performance | ||||||
| The requirements of the simulated transport table test are as follows | ||||||
| Test conditions | Frequency | 5Hz ~ 200Hz | ||||
| Amplitude | 5Hz ~ 7Hz | |||||
| Amplitude 12mm ~ 8mm | ||||||
| 7Hz ~ 200Hz equal acceleration 1.5g | ||||||
| Vibration test condition allowable deviation is the same as broadband random vibration test | ||||||
| Direction | vertical axle direction and side;Orientation: vertical and lateral to the axle | |||||
| Cycle time | log-scan 5Hz ~ 200Hz ~ 5Hz, 12min per cycle;When the resonant frequency of the specimen is measured below 5Hz, the test frequency can be extended to 2Hz, 2Hz ~ 200Hz ~ 2Hz scanning, scanning time should be 15min.The vibration time in each direction is 90min | |||||
| After the transportation test, check for any signs of damage or structural loosening, and conduct an inspection of technical indices to ensure they meet the design requirements | ||||||