Home > Products > Laser Rangefinder Module > 1064nm Laser Target Designator > 200mJ Laser Target Designator(LTD) wiht LRF
200mJ Laser Target Designator(LTD) wiht LRF
  • 200mJ Laser Target Designator(LTD) wiht LRF200mJ Laser Target Designator(LTD) wiht LRF

200mJ Laser Target Designator(LTD) wiht LRF

STA-Z200M is a military 200mj laser target designator that plays a crucial role in precision aiming systems, capable of providing precise guidance for smart ammunition. Through an advanced optical system, it marks the target with a laser beam, ensuring that precision-guided weapons can destroy the target with extremely high accuracy and efficiency.

Send Inquiry

Product Description
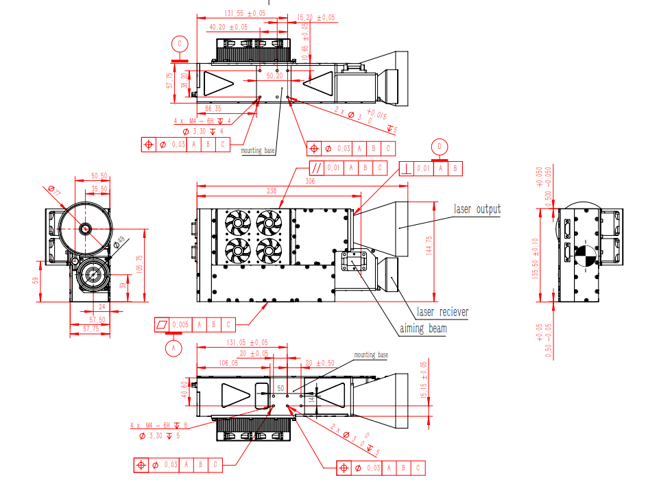
This model of laser target designator adopts the integrated design, the system consists of a laser light source and driver, a distance measurement module, an observation system, and a control module.

Main function

Laser ranging function;
Laser irradiation function;
photoelectric isolation signal trigger;
disassembled aiming beam;
external trigger function;

Main technical indicators

Working wavelength 1064nm±1nm
Laser irradiation energy 200mj
Light delay 304µs±1µs
Laser beam dispersion Angle ≤0.2mrad
Irradiation frequency 8 ~ 21Hz
Ranging frequency 10Hz
Laser pulse width 10ns ~15ns
Power stability ≤±8%
Ranging range 0.3m ~ 30km (target size 10 m *10 m *8 m, visibility 30km)
Ranging error less than or equal to 5 meters
Target selection first/second/end
Accurate measurement rate 98%
Start-up time <1min(at normal temperature)
Working time Ranging mode continuously working for 5min, rest for 4min, continuous 5 cycles(at low/normal temperature)continuously working for 5min, rest for 4min, continuous 2cycles(at high temperature and 85mj output)continuously working for 2 min, rest for 4min, continuous 2cycles(at high temperature and 160mj output)
Irradiation mode irradiation time 90s, rest 60s, continuous 5 cycles (at low/normal temperature and 85mj output)irradiation time 60s, rest 60s, continuous 5 cycles (at low/normal temperature and 160mj output)irradiation time 90s, rest 60s, continuous1 cycles (at high temperature and 85mj output)irradiation time 60s, rest 60s, continuous 1 cycles (at high temperature and 160mj output)
Full set weight ≤ 3.3kg

Volume of full set



Electrical interface

Communication connector (socket model J30J-15ZKP, butt plug model J30J-15TJ) Pin definition

Pin Definition Content Type of signal Remarks
1 TX+ RS422 Send positive (local) Output Object host computer
2 TX - RS422 Send negative (local) Output Object host computer
3 RX+ RS422 Receive positive (local) Input Object upper computer
4 RX - RS422 Receive negative (local) Input Object upper computer
5 GND Ground RS422 Signal ground Object upper computer
6


Manufacturer's debug special
7


Manufacturer's debug special
8


Manufacturer's debug special
9


Manufacturer's debug special
10


Manufacturer's debug special
11


Manufacturer's debug special
12


Manufacturer's debug special
13


Manufacturer's debug special
14
External time system + Input RS422 differential
15
External time system - Input RS422 differential

Power connector (plug type J30J02P020P000S0P120, plug type J30J02P020S000S0L000) Pin definition

Pin Number Definition Remarks
A, B 24V The wire color is red
C, D GND The wire color is black

Key performance indicators

Power supply and power consumption Power supply range 20V ~ 33V, DC
Power consumption peak power is not more than 260W, standby power is not more than 60W (normal temperature)
Reliability MTBF is not less than 4000h (total firing time is larger than 3 millions)
Security Set up a warning device for the laser to work
The exit of the laser transmitter is provided with obvious warning signs
The equipment is well grounded
Maintainability All major functional components and equipment have both fault indicators and indicators for normal operation
The average repair time MTTR is not more than 20min
Electromagnetic compatibility requirements In the system boot-up process, the equipment can be compatible with other equipment in the system and operate normally

Environmental adaptability requirements

Temperature Operating temperature -40℃ ~ +60℃
Storage temperature -40℃ ~ +70℃
Humid heat Relative humidity 95% ± 3%
Temperature +25°C±2°C
Storage time 72h
Vibration Vibration spectrum shape (grms=6.06) 20Hz to 80Hz +3dB/oct
80Hz to 350Hz G2/0.04 Hz
350Hz to 2000Hz -3dB/oct
Vibration direction and time vibrate in two direction for at least 10min
Control point should be selected in the fixture or shaking table surface near the maximum stiffness of the product, large equipment can use multi-point average control
Monitoring point the monitoring point should be selected in the key part of the product under test, so that the root mean square acceleration response does not exceed the maximum allowable design (grms=6.06)
Installation requirements The specimen is firmly attached to the shaking table, and for products equipped with shock absorbers, the shock absorbers should be removed before testing
Performance check During vibration testing with the equipment powered on, all performance indicators must meet the technical requirements specified in the design document. In the event of a failure, repairs are allowed. After the repair, the spectral value should be reduced to 0.01g²/Hz, grms=3.03, and the specimen should be subjected to vibration in the direction most susceptible to vibration for 10 minutes during the acceptance test.
Temperature cycle Temperature range Power-on test -35±3℃ ~ +52±2℃
Rate of temperature change Temperature rise 10℃/min
Cooling 10℃/min
Cycle times Ten cycles should be completed, ensuring that the last 2 cycles are without faults. If a fault occurs during the last 2 cycles, after repairs, an additional 2 fault-free cycles are required.
Cycle time One cycle time is 4h, one cycle includes temperature rise → temperature stay → cooling → temperature stay → temperature rise
High and low temperature residence time the residence time depends on the heat capacity of the specimen. Based on the principle of product thermal or cold permeability, the internal temperature of the specimen is maintained for 5min after reaching stability
The requirements of the product under test general temperature cycle test with the whole machine, should be as far as possible to open the cover
Check and repair In the power test equipment, after each temperature cycle test, it is necessary to confirm that the equipment is free of faults before proceeding to the next temperature cycle
Drenching requirements Drenching is carried out with the whole equipment
transportation requirements Equipment needs to be transported as a whole vehicle
If the product has not undergone a road transport test, you can perform an indoor transport simulation test using a simulation transport table. This test involves conducting a sinusoidal cyclic vibration test to assess the product's performance
The requirements of the simulated transport table test are as follows
Test conditions Frequency 5Hz ~ 200Hz
Amplitude 5Hz ~ 7Hz
Amplitude 12mm ~ 8mm
7Hz ~ 200Hz equal acceleration 1.5g
Vibration test condition allowable deviation is the same as broadband random vibration test
Direction vertical axle direction and side;Orientation: vertical and lateral to the axle
Cycle time log-scan 5Hz ~ 200Hz ~ 5Hz, 12min per cycle;When the resonant frequency of the specimen is measured below 5Hz, the test frequency can be extended to 2Hz, 2Hz ~ 200Hz ~ 2Hz scanning, scanning time should be 15min.The vibration time in each direction is 90min
After the transportation test, check for any signs of damage or structural loosening, and conduct an inspection of technical indices to ensure they meet the design requirements

Hot Tags: 200mJ Laser Target Designator(LTD) wiht LRF, Manufacturers, Suppliers, Factory, China, Made in China, Customized, High Quality
Related Category
Send Inquiry
Please feel free to give your inquiry in the form below. We will reply you in 24 hours.
X
We use cookies to offer you a better browsing experience, analyze site traffic and personalize content. By using this site, you agree to our use of cookies. Privacy Policy
Reject Accept